×

ほまげの制作です。
パーツの二次加工が延々続きますが、だんだんゴールは見えてきています。

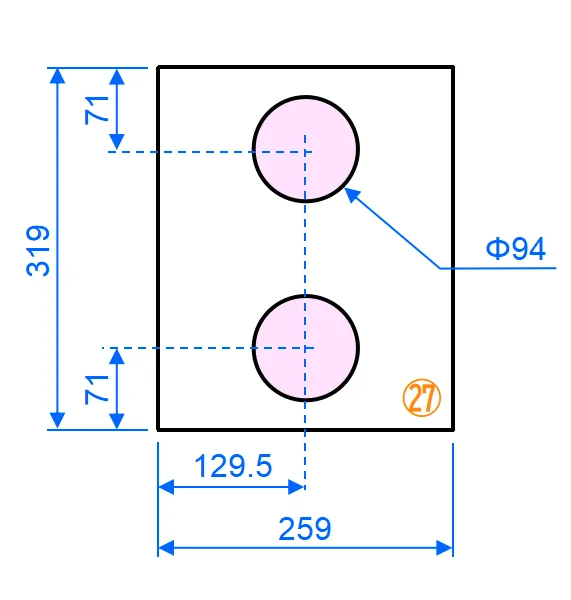
パッシヴラジエーターの穴

27番。単純Φ94mmのバカ穴です。フラッシュマウント加工は不要。

楽勝~。
ここまでは良かった。

ベースアンカーボード加工

次はいよいよ18番、ミッキーさん。耳の部分をカットしていきます。
今回の二次加工のなかでもトップレベルの難しさなのか?
こんな形状加工は経験がない。

ベースアンカーボードです。2枚重ねで30mmに達します。
私は他の何処を鳴らしても、エンクロージャーの底板だけは一切鳴らさない主義なので、このようなものを準備します。ただ、本底板と合わせてもたかだか45mm。全く鳴らさないのは無理でしょうね。

ちなみに、AndromedaとXbassは結構な音量で鳴らしている最中にベース天然石を触ってみても、指先に微振動を感じません。グランドアンカリングが巧く行っているときはそうなります。

外周に補助板を敷いて、円形に外周をくり抜き =ミッキーさんの耳の部分を先に円加工していきます。
これが難しい。けっこうなフリクションで。

ようやっと耳1個だけ抜けた。
これは1回で抜くのではなく、他と同様に、3~4mmずつ深さを削っていくのです。
それでもどんどんトリマーの抵抗が増えてくる。これはつまり、刃が鈍化してきているのです。

耳を一個抜くたびに、トリマービットの刃先をオイルで磨くはめに。もうビットがダメに為りかけています。磨いても板の焦げ付きが取れなくなってきています。

やっと2個所抜けた~ はぁ はぁ

本当に、ちょっぴりずつしか刃先を深くできません。集中力の限界だ。

刃先の劣化が激しい。
もうダメだ~。 焼付きだ
販売履歴を見てみると、やっぱりコレは大日商の6×6、つまり高級品です。

大日商でも焼き付くのか~。 あと少しだ。もう少し持ってくれ~
こんな高価なビットはおいそれとは買えないのだヨ。

なんとか4個所抜けた~
あと、直線部分を切除しなければなりません。でも、本日は私の胆力と集中力の限界。この状態で作業継続すると失敗事故しそう。今日はここまでとしましょ~

1枚抜けば、それがガイドになるから2枚めはラクだけど、トリマービットの負担という視点では、2枚めもシンドそうだな~。大変な切除粉量です。黒焦げがこびりついているビット。擦っただけではまったく取れませんが、後で磨いてみます。
 
 
 

【この連載の目次】

シリコンパワー ノートPC用メモリ DDR4-2400(PC4-19200) 8GB×1枚 260Pin 1.2V CL17 SP008GBSFU240B02

Synology NASを拡張した時に入れたメモリーがコレ!永久保証の上、レビューも高評価。もちろん正常に動作しており、速度余裕も生まれて快適です。

フィリップス 電動歯ブラシ ソニッケアー 3100シリーズ (軽量) HX3673/33 ホワイト 【Amazon.co.jp限定・2024年モデル】

歯の健康を考えるのならPhilipsの電動歯ブラシがお勧めです。歯科医の推奨も多いみたいです。高価なモデルも良いですが、最安価なモデルでも十分に良さを体感できる。

コメントを残す

メールアドレスが公開されることはありません。 が付いている欄は必須項目です

投稿者

KeroYon

関連投稿

Spacedeck, カートリッジ交換, またまた断線

ひさびさにNottingham Spacedeckのカートリッジを交換します。 これまではAudio...

ONKYO D-N7xx (2)測定解析

分解が完了したONKYO ONKYO D-N7xx。ですが、次に各ドライバーの諸特性も見ておきましょ...

ONKYO D-N7xx (1)徹底分解

また粗大ごみを買っちゃいました。中古・ラウドスピーカーシステム。 今回は、ドフじゃないんです。セカス...

リンクバナー Ver.2 @ WordPress

前回ご紹介したプラグイン。URLを入力すると美麗なバナーを制作してくれるというものでした。 今回はこ...

LINE Clovaの記事をサマライズした

ようやく LINE Clova WAVE の制作記をひとつにまとめました。 これでLoudspeak...