LINE Clova編
立派に鳴っているのですが、IC発熱が凄いので放熱器を取り付けたい。ついでに、パーツ実装や物理特性も一層最適化したい。

完成した放熱フィン付きの基板。
測定中のスイープ信号などで特に顕著ですが、ICが触れないくらいに熱くなります。経年劣化や早期故障は疑いない。Clova WAVEは構造的にあまり熱の逃げ場がないのでそこの配慮も必要。
こんな小型フィンでは焼け石に水かも知れないけれど、少しでも熱容量を増やして余裕を出したい。

幸いにして、内部の仕切り板は私が穴だらけにしてしまいました。発熱はここから上部へ抜けていき、スピーカー開口部であるパンチング穴から放出されるものと思われます。四角い穴を沢山開けてしまいましたが無駄ではなかったのです。
さあ基板を交換します。


古い基板が綺麗に収まっている。
配線メモのため、沢山写真を撮ってあります。ケーブルの色とかね。再接続のときに楽になります。

いったん全部バラさないと基板交換は出来ないのですが、これは複雑な構造上しょうがないです。この角穴から熱は上に逃げるはずです。そして、パッシヴラジエーターの開口部から室外へ放出されるはず。

新旧のPCBを比較してみる。こうしてみると別物ですね。左の方がややスマート。

全体として新基板の方がパーツが若干高品位です。

はんだ付けは2個所だけ。電源ケーブルだけが直付けなので、その2点をはんだ付けします。万が一はんだがサランネットに掛かるとサランが溶けるので、ティッシュで養生しています。
ところで、

関係無いんですけど、チップ部品に使っていた純銅製のこて先がこんな風にひん曲がりました(笑)。これは凄い。純銅は熱抵抗が低く柔らかいとは聞くけど、こんなに変形するのね?純銅製は初めてでしたがこのこて先はもう使えないので破棄します。短命だな~

セットアップ完了。
こんな風に実装変更するときに、コネクタ接続は本当に楽ですよ。コネクタを仕込むのは大変だったけれど。



連載は終了していますが、今回の改造によりClova WAVEは真の完成を見ました。
今も試験的に鳴らしていますが実にゴキゲンな音でこれはやばい。もしも小学生の頃に親に買ってもらったラジカセからこんな音がしていたら、私はそれで上がってしまいオーディオや電子回路なんか触らなかったかも知れない。(挫折や失望こそが強い動機になり得ます)

今回の改造を期に、定数はさらに最適化しています。また、入力段の余計なLPF用キャパシタは除去しました。これにより出音は一層自然かつスムースになりました。

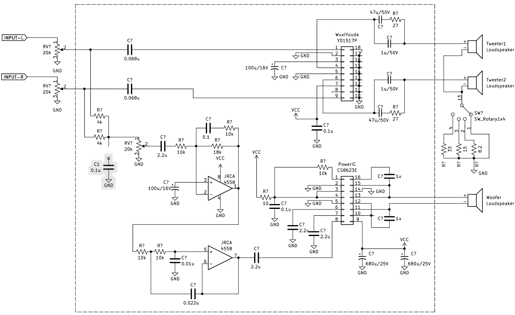
このClova WAVE用の「電気的な」クロスオーバーカーヴを描き出してみました。信じられないような妙な形をしていますよね?これで両側スロープが最適化されて合成特性はフラットになるのです。
逆説的に言えば(多くの人が想像するような)一般的クロスカーヴでは決して平坦な特性にはなりません。全てのラウドスピーカー・ドライバーは生き物。その生き物の物性に見合ったフィッティング(オプティマイズ)が必須になります。私はオプティマイズの権化みたいな自覚がありますが、今回のようなどーでもいいような小型BTスピーカーにも悪癖が大爆発してしまったというわけです。 これでも係数が限られているからかなり妥協はしています。
駄文乱文にお付き合い頂きありがとうございました。
今度こそ本当の完結かな。
【この連載の目次】
- LINE Clova (1) LINEのMatrix
- LINE Clova (2)この4Ωは可変すれば
- LINE Clova (3)開腹手術~WAVEが届いたぞ
- LINE Clova (4)【緊急速報】これはトゥイーター
- LINE Clova (5)セカンド・オピニオン
- LINE Clova (6)天板にどうやって穴を開けるのか?
- LINE Clova (7)ミニアンプは時定数に問題アリ
- LINE Clova (8)天板に穴を開けてみる
- LINE Clova (9)内蔵アンプ回路を解析する
- LINE Clova (10)パーツを外し&セカンドオピニオンを検証する
- LINE Clova (11)セカンドオピニオン版で空気録音してみる
- LINE Clova (12)風穴を開けろ! ボリュームの実装
- LINE Clova (13)フィルタをオプティマイズする
- LINE Clova (14)初体験、サーフェスマウント
- LINE Clova (15)底面に音質スイッチを実装する
- LINE Clova (16)3Dカットモデルと最終回路図
- LINE Clova (17)部品到着で一挙完成へ
- LINE Clova (18)こんがり焼けたよ、基板が焦げた
- LINE Clova (19)数々の苦難を乗り越えて完成へ
- LINE Clova (20)擬似無響計測&空気録音 – 1st. Phase
- LINE Clova (21)完結編 – 2nd. Phase
- LINE Clova用-第2基板
- LINE Clova Rev.03が完成。熱に強く音も良い
- LINE Clovaの記事をサマライズした

シリコンパワー ノートPC用メモリ DDR4-2400(PC4-19200) 8GB×1枚 260Pin 1.2V CL17 SP008GBSFU240B02
Synology NASを拡張した時に入れたメモリーがコレ!永久保証の上、レビューも高評価。もちろん正常に動作しており、速度余裕も生まれて快適です。

フィリップス 電動歯ブラシ ソニッケアー 3100シリーズ (軽量) HX3673/33 ホワイト 【Amazon.co.jp限定・2024年モデル】
歯の健康を考えるのならPhilipsの電動歯ブラシがお勧めです。歯科医の推奨も多いみたいです。高価なモデルも良いですが、最安価なモデルでも十分に良さを体感できる。