百均部品で造る、2000円予算の天変地異なラウドスピーカー・プロジェクト、拡張編。
ほぼ完成なんだけれど、いくつか気になる点があるので潰していきたい。
レベル調整を容易に
まず、一番気になっているというか、、、困っているのはココ。

このツマミを僅かに回しただけで、あっという間に低音部が大音量になってしまうのです。これはLAZOSのフルレンジが超低能率だからではなく、Logicool Z4の状態からそうだったのです。ほぼほぼ「設計ミス」と言ってもよいレベルだったと思います。だって、Z4のときにボリュームを7時10分くらいにしないとサテライトとバランスしないんだな…。
そんな状況ですから、Bassレベル調整がやりにくくて仕方がない。つまみの動きに凄くセンシティブです。ほんの僅かに1-2度回しただけで、フルレンジとの音量バランスが崩れて太ったり痩せたりするのです。色々と回路改造のやり方はあるのですが、手っ取り早くBassボリュームの出力端へ固定抵抗をパラレルにすることで、調整容易にしました。

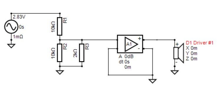
ボリュームのPIN2 – 3番間に2kオームをインサートします。
レベル差は計算すれば出ますが。メンドー臭いんで、シミュレーターで差を見ます。![]()

5kOhmだと、ぜんぜん効かない。1kOhmだと、音量が下がりすぎてしまうかもしれない。やり直しはしたくない。無難なところで間をとって、2kΩとしました。
ボリュームを50%絞ったポイントで、-11dBも違いが出る。十分だと思いました。結果論としてここは1kΩでも良かったくらいでした。


ブーミーな低域をなんとかしたい
とにかくブーミーなのです。
今の若い人は「ブーミー」と言われてもどんな音か分かんないのかな。低域が常にブーブーどんすこ鳴っていて、濁っていて不自然です。まあ、仕方が無いんです。これ6次ですから。『【ナレッジ】バスレフ型の低音は凄く遅れる』最初に結論から。 バスレフ型の低音はとても遅れている。 ダブルバスレフ型の低音はさらに凄まじく遅れている。 今日は低域の群遅延特性について書いてみたいと思いま…ameblo.jp
個人的にはバスレフの低音さえ我慢できないのに、6thとなればもっとです。
それでもUltimateMicroSubやMX-1000Hでは共振点が極く低かったのであまり気になりませんでしたが、Logicoolのは目立った低域で派手に群遅延が増えるのと強い共振で不自然きわまりないです。箱の板共振も凄い。頑強の極致のMX-1000HのSubとはちがう。
・・・とか何とか言いながらも、4thや6thばっかり自作しているジブンが居ます。キライキライも好きのうち、ってか?

少しでもマシにならないかなという事で、少量吸音材を突っ込んでみました。(元は何も入っていなかったんです)こんな量でそんなに効くとも思えませんが。

フタを閉じて視聴です。
低域のレベル調整は劇的にやりやすくなりましたね。成功。
以前はツマミ5%付近(7:30位)をふらふらしていましたが、今はボリューム40-45%くらいでバランシングするようになりました。なによりツマミの動きに神経質ではなくなり音量調整がやりやすいです。ブーミーな低域も、多少はクセが少なくなった感じはします。しかし根本改良はムリですね、6次ですから。
高域共振をノッチしたい
もうひとつ、試してみたいことがあります。
それはフルレンジのブレイクアップをノッチすること。

これはマストではありません。これがこのΛの個性という言い方も出来ますし。ただ、聴いているといかんせんキビシイソースはあるのです。耳をつんざく、キーンとなりそう感じのときはある。
ノッチを入れれば必ず良くなるというわけではない、今ある美質もサプレスされてしまう可能性だってある。だから、入れたり切ったりして効果は確かめておきたい。本当は入れたくない。入れたら制作コストが上がってしまったことになるし。ノッチ用のキャパシタやインダクタは高いのです。だから、「オプション」ですねこれは。


潰しすぎない程度に、潰します。
とはいえ、これだけ変わると聴感、相当に変わりますね。
ノッチ回路はまだ作っていません。
手持ちのパーツで有るには有るけど、比較的高級なパーツなので、Λへ投入するのは悩んでしまいます。かといって、新規オーダーするほどの余裕やモチベはない。
ノッチを仮組みしたら測定へ突入しようと考えています。
効果がいまいちならバラしてしまえばいいか。
【この連載の目次】
- とてつもねェモノを買っちまった
- MX-Λ (1)百均DIY構想
- MX-Λ (2)千円に収めるためには?
- MX-Λ (3)こんな小さな板に収まるの?
- MX-Λ (4) Gen-AIに設計少し手伝ってもらっちゃった
- MX-Λ (5)3D-CAD設計しておいた
- MX-Λ (6)男はつらいよ、カッターで切れない編
- MX-Λ (7)トリマーテーブル出撃~
- MX-Λ (8)パーツを二次加工だぁ~っ!
- MX-Λ (9)組立、ガンガン!
- MX-Λ (10)できちゃった
- MX-Λ (11)塗装も終わっちゃった
- MX-Λ (12)ドライバ実装も終わって先に音が出ちゃった
- MX-Λ (13)大きさを体感してみよう
- MX-Λ (14)端子板を作ろう
- MX-Λ (15)ターミナルが付いた
- MX-Λ (16)子分の物理特性
- MX-Λ (17)下剋上なのか?
- MX-Λ (18)いったん最終回、空気録音:S/N悪し
- MX-Λ+ (19)また粗大ゴミを買ってしまい…
- MX-Λ+ (20)Z4の基板を改造
- MX-Λ+ (21)進められる所だけでも
- MX-Λ+ (22)Λ専用サブウーファーが完成した
- MX-Λ+ (23)ぶっ壊したアンプを修理して完成
- MX-Λ+ (24)いくつかの改善点着手
- MX-Λ+ (25)測定とNotchの確認
- MX-Λ+ (26)完成、Notchの効果測定とリバース
- MX-Λ+ (27)真・最終回

シリコンパワー ノートPC用メモリ DDR4-2400(PC4-19200) 8GB×1枚 260Pin 1.2V CL17 SP008GBSFU240B02
Synology NASを拡張した時に入れたメモリーがコレ!永久保証の上、レビューも高評価。もちろん正常に動作しており、速度余裕も生まれて快適です。

フィリップス 電動歯ブラシ ソニッケアー 3100シリーズ (軽量) HX3673/33 ホワイト 【Amazon.co.jp限定・2024年モデル】
歯の健康を考えるのならPhilipsの電動歯ブラシがお勧めです。歯科医の推奨も多いみたいです。高価なモデルも良いですが、最安価なモデルでも十分に良さを体感できる。