市販ハイエンドスピーカーでは補償器が常識的?

前々稿では、ウチのドライバー(トゥイーター)の極端な補償のようすをご覧いただきました。古い常識感をお持ちの方は補償という行為に「鮮度が落ちる」等の意味不明な印象をお持ちかもしれません。また、「そんなのアンタだけでしょ」と考えられるかもしれません。
これは古(いにしえ)のオーディオ評論家による「誤った知識の流布」が招いた悲劇と言えるかもしれません。
そこで、海外スピーカーのXover回路を幾つかサンプルとしてご紹介します。
電気回路を理解できる方であれば、回路図を見るだけでおおよそ何をやっているかご想像頂けるかと思います。

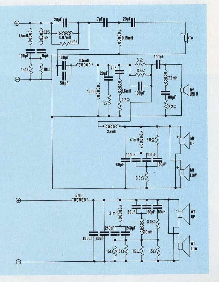
これは Sonus Faber のElecta Amatorです。
ソナスのXoverは(1次1次と叫んでいるから)世間的には比較的シンプルなイメージを持たれていると思います。それでも、2wayでさえこの規模です。まずトゥイーターのFsをきっちり潰しています。ウーファーも高域ブレイクアップを補償、インピーダンス上昇を補償、そしてバッフルステップを補償とおぼしき構成も見られます。
特殊な行為ではなく、彼ら的にはマトモな音になるよう常識的な事をやっているに過ぎません。大昔の「自作スピーカー」の常識感とはかけ離れているかも知れません。2wayだから素子が4個だけとか?それを見ただけでも「お里が知れる」と思います。

次に上図は KEF の105/3Sという4wayモデル。
さすがはKEFと云うべきなのか?(笑)
物理特性原理主義とでもいうのかな。昔からここはこうですね、おいおい、真空管アンプかよ?…とツッコミたくなる位の素子数。補償のカタマリですね。

最後にThielのCS3.7。さすがというべきか、酷いというべきか。
Thielはコヒレントソースがブランドポリシーだから。そのためなら何でもやってしまいます。特に低域側はひどくて、最低インピーダンスは2.2Ω。EPDRはおそらく1.5Ω付近まで低下でしょうか。しかしこの極端な補償回路なしに、あの澄んで空気の見通しまでよくなったかのような低音は無理と思います。
欧米ハイエンドの世界では、特にラウドスピーカーの価格帯が高くなればなるほど、補償の度合いは強めになっていくように思います。カンタンな話で、ローコストモデルではクロスオーバー補償のコストが出ないのです。高価格帯になると、ドライバやエンクロージャー以外にもコストが割けるようになるので、クロスを円滑にし特性を平坦にし位相特性を改善する補償の度合いは激しくなります。私にはこれらの指向性は絶対正義に見えています。線形近似補償した音の方が良く聴こえるのは当たり前です。物理特性が良くなるのだから。
パッシヴパーツには物理限界がある
ただし、以前から書いているとおりで、ラウドスピーカーに内包されているこれらパッシヴ型のクロスオーバーパーツには限界があります。代表格がインダクタです。
引用:https://www.quora.com/Is-it-possible-for-a-real-inductor-to-be-without-inherent-capacitance
固有の静電容量を持たないようなインダクタは実現可能でしょうか?
シンプルに言えば、「ノー」です。すべてのインダクタ、抵抗、およびコンデンサは、量が異なるだけで、これら 3 つをすべて備えています。一部の周波数では、コンデンサはインダクタのように動作し、おそらく程度は低いですが、インダクタはコンデンサのように動作します。デバイスの詳細なモデルには、これらの寄生インピーダンスが示されます。
本当に重要なのは、デバイスがどのように使用されるか、そして回路がこれらの寄生成分をどれだけ適切に処理するかです。たとえば、電源にはさまざまなサイズのコンデンサが並列に接続されていることがよくあります。コンデンサが小さいほどインダクタンスが小さくなるため、より高い周波数でよりよく動作します。コンデンサが大きいほど、低い周波数でよりよく機能します。
構造タイプが異なれば、寄生要素も異なります。
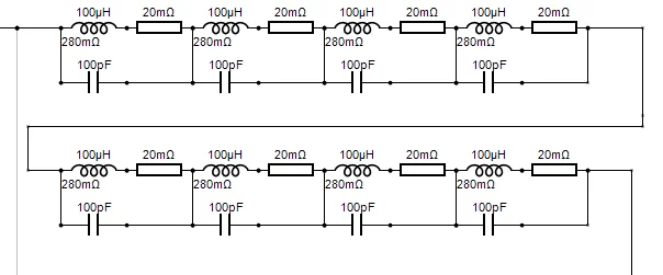
「理想インダクタ 1mH」=この世には存在しない、なにも性能に瑕疵のないインダクタンス、1mHが仮に存在したとします。
「現実のインダクタ」を等価回路で描いてみると、ざっくりこんな感じになってしまいます。

とあるウーファーに、この「現実インダクタ」と「理想インダクタ」を通して、比較してみましょう。

グリーンが理想。紫は現実です。あらまっ・・・ずいぶん違いますね。
かんたんに言いますね。「現実インダクタは性能が悪い。」
理想インダクタ以外の寄生成分も多いから、音質も実測特性も劣化するんですね。
1次クロスを狙ってこの現実1mH”だけ”を通して、このウーファーのアコースティックスロープは果たして1次になるのでしょうか?(いや絶対にならない。) そもそもこの5kHzの激しいブレイクアップ。あと1個、キャパシタでも足して2次フィルターにすれば、この高域共振は潰せるのでしょうか?(いや絶対に潰れない。)
むろん、これら寄生成分を加味してクロスオーバーは設計されるのです。だから最終的には無問題になります。ただ、これだけ基本性能が劣るインダクタを用いて、果たして本当に音質影響はないのでしょうか?(もちろんあります)

”ダメなりに少しでも理想に近づこう。”の路線でこのインダクタは有名なもので、流石の高性能を誇ります。が、このインダクタは2.2mHで1個25000円もします。これがハイエンドスピーカーのクロスオーバーに搭載されていると思いますか?(いや搭載されていない)コストが出ないから搭載できないのです。載せられるとしたら、2000万円を越える高額モデルでしょうか。おそらく採算度外視なので。
ハイエンドでもせいぜい載せられるのはこのようなモノです。

大容量になると鉄芯入り。鉄芯だから、磁気歪も出るし大入力では飽和もします。高級品だからといって例外はありません。線径もせいぜい12AWGか14AWGくらいじゃないかな?
ひょっとして巨大なエアコアを載っけてるモノもあるかも知れないけど、私は見たことがないですね。たいそうなコストを投入しても、それなのです。
キャパシタは、インダクタほどには性能が悪くないので説明は割愛しました。しかし程度問題でなんらかの劣化はあります。だから装置のキャパシタを交換すると音質が変わるんです。大きなキャパシタは価格が高いがインダクタも大きくなり、高域特性に影響が出ます。
よってもって
これらパーツに起因した性能劣化が原理的にないディジタルドメインでの特性補償/クロスオーバーには価値があるんです。今さらインダクタやキャパシタに「技術革新」による性能革命は望めないから、この差は永遠に縮まらない気がしています。昔の16bitだったら、bit落ちなどの弊害があってディジタルクロスは薦められるような代物ではなかった。しかし今や、32bit / 96kHzで昔の32倍もの分解能で演算できる。多少の音圧調整や特性補償が瑕疵になりません。
Xbassは前段フィルタリングで昔からインダクタレスでした。しかしミッドバスがインダクタの呪縛から開放されたのは、つい1年前です。ウーファーとミッドバスがパワーアンプ直結していることも、ウチのひと味違う低域~中低域に一役買ってる気がしています。

シリコンパワー ノートPC用メモリ DDR4-2400(PC4-19200) 8GB×1枚 260Pin 1.2V CL17 SP008GBSFU240B02
Synology NASを拡張した時に入れたメモリーがコレ!永久保証の上、レビューも高評価。もちろん正常に動作しており、速度余裕も生まれて快適です。